Gas Burner One stage BENTONE BFG1 is a gas burner designed for use in gas combustion systems. It features a single-stage combustion capability, making it easy to operate and adjust flame height according to requirements. The BENTONE BFG1 is known for its durability and suitability for various applications and environments.
This small burner is suitable for domestic use as well as industrial applications all over the world.
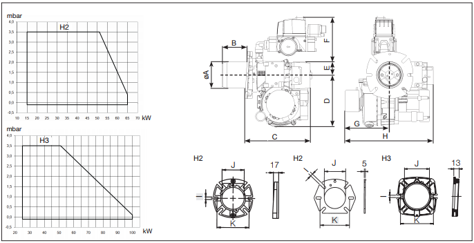
The BFG1 type comes in three models, with a capacity range of 15–100 kW. Available for natural gas, LPG and biogas.
Ducted or conventional air inlet. Suitable for high resistance/condensing boilers. Designed for 1- stage or 2- stage operation. Industry standard components are used. A soft pulsation free start. Wide adjustment range and high efficency with constant combustion values. High flexibility with reference to different options.
When biogas is used, Bentone shall always be contacted.
– Energy saving and compatible with environmental requirements
– Quiet in operation and designed for easy maintenance
– Reliable and trouble free
– Designed and approved in accordance with the European standard EN 676
– 2-stage or modulating
– Suitable for High Resistance/Condensing boilers
– Designed for on/off and 2-stage operation
– Plug-in contact facilitates the installation
– High flexibility with reference to different options
– Two valves, slow opening
– Available for natural gas, LPG and biogas
– When biogas is used, Bentone shall always be contacted
| Type | BFG1 | ||
| Model | H2 | H3 | |
| Capacity | kW | 15.0-65.0 | 25.0-100.0 |
| Motor | V/Hz/W | 230/50/110 | |
| Cntrol unit | Siemens | ||
| Max. inlet pressure | mbar | 65/360 | |
| Gasfittings | Dungs GasMuiltiBloc | ||
| Flame monitoring | Ionisation | ||
| Ball valve | . | ||
| Adjustable burner head | . | ||
| Half cover | . | ||
| Full cover | . | ||
| Ducted air inlet | . | ||
| Air grid | . | ||
| Automatic air damper | . | ||
| 2-stage | . | ||
| Emission class according to EN676 | 2 | ||
| Gross weight | kg c. | 15 | |
| Volume | m³ c. | 0.07 | |
