ริงโบลเวอร์ GAST SDR Series

ริงโบลเวอร์ GAST รุ่น SDR Series สินค้าคุณภาพสูงนำเข้าจากอเมริกา โครงสร้างแข็งแรง ทนทาน เหมาะกับการใช้งานตามที่ต้องการ เป็นพัดลมโบลเวอร์แบบไม่ใช้น้ำมัน ซึ่งทำให้อากาศที่ระบายออกมาไม่เกิดการปนเปื้อน การทำงานของตัวเครื่องเสียงเงียบ เหมาะสำหรับ ใช้ในระบบบรรจุภัณฑ์ , ใช้เติมอากาศในระบบบำบัด, ใช้ในระบบลำเลียงอุตสาหกรรมต่างๆ เช่น ลำเลียงเม็ดพลาสติก ลำเลียงเมล็ดข้าว

Social Share:

ริงโบลเวอร์ GAST SDR Series

  • ไม่ใช้น้ำมัน
  • วัสดุแข็งแรงทนทาน , บำรุงรักษาง่าย
  • สามารถปรับความเร็วรอบของโบลเวอร์ได้ ด้วยเปลี่ยนขนาดของมู่เล่ย์
  • ตัวเคสของใบพัดและฝาครอบผลิตจากอลูมิเนียม

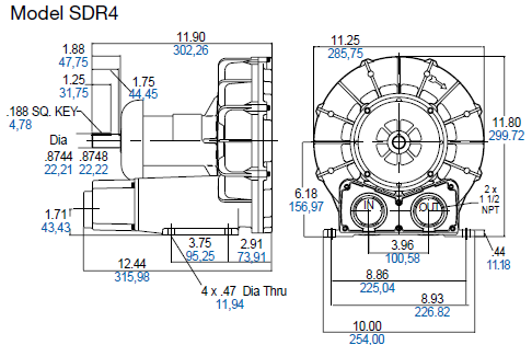
GAST SDR Series Ring Blower Dimensions 

dimension-gast-sdr4          dimension-gast-sdr5

GAST SDR Series Ring Blower Specifications

GAST SDR Series SDR4,SDR5

MODEL SDR4 SDR5
Maximum RPM 5500 5500
Maximum RPM and Vacuum HP(kW.) 3 (2.2) 8 (6)
Maximum RPM and Pressure HP(kW.) 4 (3) 10 (7.5)
Net Weight lbs (kg.) 27 (12) 37 (17)
{{ reviewsTotal }}{{ options.labels.singularReviewCountLabel }}
{{ reviewsTotal }}{{ options.labels.pluralReviewCountLabel }}
{{ options.labels.newReviewButton }}
{{ userData.canReview.message }}

ขอใบเสนอราคา/Request a quote

ขอใบเสนอราคา/Request a quote