มอเตอร์ไฟฟ้ามิตซูบิชิ (Mitsubishi) รุ่น SCL-QR Series (SUPER LINE Q SERIES) SIGLE PHASE INDUCTION MONTOR มอเตอร์ไฟฟ้ากระแสไฟฟ้าสลับชนิดเฟสเดียว แรงดันไฟ 220 V. 4P แบบคาปาซิสเตอร์ มอเตอร์ (Capacitor Motor) มีแรงม้า 7 ขนาดให้เลือก ดังนี้ 1 HP, 1.5 HP, 2 HP, 3 HP, 5 HP, 7.5 HP, และ 10HP
มอเตอร์ไฟฟ้า มิตซูบิชิ รุ่น SCL-QR Series (Mitsubishi) เป็นมอเตอร์ไฟฟ้ากระแสไฟฟ้าสลับชนิดเฟสเดียว 220 V. แบบคาปาซิสเตอร์ มอเตอร์ (Capacitor Motor) เป็นมอเตอร์ที่มีระบบการทำงานคล้ายกันกับมอเตอร์ขนาดเล็กแบบสปลิทเฟส มอเตอร์ (Split-Phase Motor) แต่มีการเพิ่มคาปาซิเตอร์ หรือคอนเดนเซอร์ (Capacitor or Condenser) แบบสตาร์ทและรันมอเตอร์ (Capacitor Start and Run Motor) เข้ามาในระบบ ทำให้มอเตอร์แบบคาปาซิสเตอร์ มอเตอร์ไฟฟ้า มีคุณสมบัติพิเศษที่เพิ่มขึ้น คือ เมื่อมีแรงบิดขณะสตาร์ทสูงขึ้น และมีการใช้กระแสไฟฟ้าขณะสตาร์ทน้อยลง เมื่อเทียบกับมอเตอร์รุ่นแปรงถ่าน

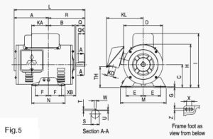
| Model | Frame | Output HP | Pole | Bearing No. | Approximate Weight | Approximate Packing Dimensions | Packing Weight | |
| No. | (kW) | Drive End | Opposite | (kg) | (LxWxH) | (kg) | ||
| SCL-QR | 90S | 1(0.75) | 4 | 6204ZZ | 6202ZZ | 15 | 368x280x250 | 16 |
| 90L | 1.5(1.1) | 4 | 6205ZZ | 6203ZZ | 18.6 | 390x280x250 | 18.2 | |
| 100L | 2(1.5) | 4 | 6206ZZ | 6205ZZ | 24.5 | 437x355x300 | 25.4 | |
| 112M | 3(2.2) | 4 | 6207ZZ | 6206ZZ | 32.8 | 504x411x327 | 39 | |
| 132S | 5(3.7) | 4 | 6308ZZ | 6207ZZ | 45.8 | 552x438x359 | 53 | |
| 132M | 7.5(5.5) | 4 | 6308ZZ | 6207ZZ | 60 | 602x475x369 | 68 | |
| 132ML | 10(7.5) | 4 | 6308ZZ | 6207ZZ | 68.2 | 630x475x369 | 76 | |

| Model | Frame | Fig. | Motor | |||||||||
| No. | A | B | C* | D | E | F | G | H | I | J | ||
| SCL-QR | 90S | 5 | 132 | 103 | 90 | 165.7 | 70 | 50 | 3.2 | 173 | 220 | – |
| 90L | 120 | 115 | 90 | 165.7 | 70 | 62.5 | 4 | 173 | 220 | – | ||
| 100L | 6 | 118 | 128 | 100 | 168 | 80 | 70 | 6.5 | 184 | – | 40 | |
| 112M | 125 | 135 | 112 | 190 | 95 | 70 | 6.5 | 207 | 254 | 40 | ||
| 132S | 7 | 223 | 152 | 132 | 266 | 108 | 70 | 6.5 | 242 | 289 | 40 | |
| 132M | 242 | 171 | 132 | 266 | 108 | 89 | 6.5 | 242 | 289 | 40 | ||
| 132ML | 270 | 171 | 132 | 266 | 108 | 89 | 6.5 | 242 | 289 | 40 | ||
| Model | Frame | Fig. | Motor | |||||||||
| No. | K | KA | KD | KL | L | M | N | XB | TH | Y | ||
| SCL-QR | 90S | 5 | – | 68 | 27 | 157 | 278 | 175 | 125 | 56 | 81 | – |
| 90L | – | 55 | 27 | 157 | 313 | 175 | 150 | 56 | 81 | – | ||
| 100L | 6 | 45 | 65 | 35 | 201 | 400 | 200 | 180 | 63 | 64 | 89 | |
| 112M | 45 | 69 | 35 | 211 | 414 | 230 | 180 | 70 | 79 | 89 | ||
| 132S | 7 | 45 | 75 | 27 | 215 | 462 | 256 | 180 | 89 | 117 | – | |
| 132M | 45 | 94 | 35 | 240 | 500 | 256 | 218 | 89 | 106 | – | ||
| 132ML | 45 | 122 | 35 | 240 | 528 | 256 | 218 | 89 | 106 | – | ||
| Model | Frame | Fig. | Motor | Shaft End | ||||||||
| No. | YH | X | Z | Q | QK | R | S | T | U | W | ||
| SCL-QR | 90S | 5 | – | 10 | 10 | 40 | 28 | 146 | 19 j6 | 6 | 3.5 | 6 |
| 90L | – | 15 | 9 | 50 | 40 | 468.5 | 24 j6 | 7 | 4 | 8 | ||
| 100L | 6 | 118 | 4 | 12 | 60 | 45 | 193 | 28 j6 | 7 | 4 | 8 | |
| 112M | 118 | 4 | 12 | 60 | 45 | 200 | 28 j6 | 7 | 4 | 8 | ||
| 132S | 7 | – | 4 | 12 | 80 | 63 | 239 | 38 k6 | 8 | 5 | 10 | |
| 132M | – | 4 | 12 | 80 | 63 | 258 | 38 k6 | 8 | 5 | 10 | ||
| 132ML | – | 4 | 12 | 80 | 63 | 258 | 38 k6 | 8 | 5 | 10 | ||