มอเตอร์ไฟฟ้า MITSUBISHI SF-JR Series IP55 (63M ~ 132M Horizontal Type) เป็นมอเตอร์ไฟฟ้ากระแสสลับไฟฟ้าชนิด 3 เฟส ชนิดหุ้มมิด แรงดันไฟ 380 V. มีให้เลือกทั้งหมด 10 แรงม้า ขนาดเริ่มต้นตั้งแต่ 1/4 HP – 10 HP มอเตอร์ไฟฟ้า SF-JR Series รุ่นนี้เหมาะสำหรับใช้เป็นต้นกำลังในเครื่องจักรอุตสาหกรรม มอเตอร์ไฟฟ้า SF-JR Series IP55 ทำงานเทียบเท่ากับรุ่น SF-QR Series IP55
มอเตอร์ไฟฟ้า มิตซูบิชิ (Mitsubishi) รุ่น SF-JR Series (Horizontal Type) เป็นมอเตอร์ไฟฟ้ากระแสสลับไฟฟ้า 3 เฟส ชนิดหุ้มมิด 1450 รอบ (4P) และชนิดรอบเร็ว 2890 รอบ (2P) แรงดันไฟ 380 V. แบบอินดักชั่น (3 Phase Induction Motor) มิตซูบิชิ มีคุณสมบัติเด่น คือ มีความเร็วรอบคงที่ ซึ่งขึ้นอยู่กับความถี่ (Frequency) ของแหล่งกำเนิดไฟฟ้ากระแสสลับ และมีราคาถูก โครงสร้างไม่ซับซ้อน สะดวกในการบำรุงรักษา เหมาะสำหรับใช้เป็นต้นกำลังในเครื่องจักรอุตสาหกรรม มอเตอร์ไฟฟ้า มิตซูบิชิ รุ่น SF-JR Series (63M ~ 132M Horizontal Type) มีให้เลือกใช้งานมากถึง 10 รุ่น คือขนาดแรงม้าต่ำสุดตั้งแต่ 1/4 HP จนถึงสูงสุดที่ 10 HP มอเตอร์ไฟฟ้า SF-JR Series IP55 ทำงานเทียบเท่ากับรุ่น SF-QR Series IP55
| Model | Power (HP) |
Pole | IP | Voltage |
|---|---|---|---|---|
| SF-JR | 1/4HP | 2P | IP.55 | 220/380V |
| SF-JR | 1/2HP | 2P | IP.55 | 220/380V |
| SF-JR | 1HP | 2P | IP.55 | 220/380V |
| SF-JR | 2HP | 2P | IP.55 | 220/380V |
| SF-JR | 3HP | 2P | IP.55 | 220/380V |
| SF-JR | 5HP | 2P | IP.55 | 220/380V |
| SF-JR | 1/4HP | 4P | IP.55 | 220/380V |
| SF-JR | 1/2HP | 4P | IP.55 | 220/380V |
| SF-JR | 1HP | 4P | IP.55 | 220/380V |
| SF-JR | 2HP | 4P | IP.55 | 220/380V |
| SF-JR | 3HP | 4P | IP.55 | 220/380V |
| SF-JR | 5HP | 4P | IP.55 | 220/380V |
| SF-JR | 1/4HP | 6P | IP.55 | 220/380V |
| SF-JR | 1/2HP | 6P | IP.55 | 220/380V |
| SF-JR | 1HP | 6P | IP.55 | 220/380V |
| SF-JR | 2HP | 6P | IP.55 | 220/380V |
| SF-JR | 3HP | 6P | IP.55 | 220/380V |
| SF-JR | 5HP | 6P | IP.55 | 220/380V |
| SF-JR | 5HP | 6P | IP.55 | 220/380V |
| SF-JR | 7.5HP | 6P | IP.55 | 220/380V |
| SF-JR | 7.5HP | 6P | IP.55 | 380-415V |

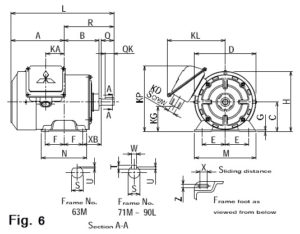
| Model | Frame No. |
Fig. | Motor | ||||||||
|---|---|---|---|---|---|---|---|---|---|---|---|
| A | B | C* | D | E | F | G | H | I | |||
| SF-JR | 63M | 1 | 121.4 | 73.6 | 63 | 130 | 50 | 40 | 2.3 | 126.3 | – |
| SF-JR | 71M | 1 | 128.5 | 83 | 71 | 147.6 | 56 | 45 | 3.2 | 144.8 | – |
| SF-JR | 80M | 1 | 122 | 98 | 80 | 161.6 | 62.5 | 50 | 3.2 | 165.4 | – |
| SF-JR | 90L | 1 | 143 | 117 | 90 | 183.6 | 70 | 62.5 | 4 | 186.3 | – |
| SF-JR | 100L | 2 | 173 | 131 | 100 | 207 | 80 | 70 | 6.5 | 203.5 | 230 |
| SF-JR | 112M | 2 | 181 | 138 | 112 | 228 | 95 | 70 | 6.5 | 226 | 253 |
| SF-JR | 132S | 2 | 211.5 | 155 | 132 | 266 | 108 | 70 | 6.5 | 265 | 288 |
| SF-JR | 132M | 2 | 230.5 | 174 | 132 | 266 | 108 | 89 | 6.5 | 265 | 288 |
| Model | Frame No. |
Fig. | Motor | ||||||||
|---|---|---|---|---|---|---|---|---|---|---|---|
| J | K | L | M | ML | N | X | XB | Z | |||
| SF-JR | 63M | 1 | – | – | 224.4 | 135 | – | 100 | 12 | 40 | 7 |
| SF-JR | 71M | 1 | – | – | 248.5 | 148 | – | 110 | 18 | 45 | 7 |
| SF-JR | 80M | 1 | – | – | 262 | 160 | – | 125 | 15 | 50 | 9 |
| SF-JR | 90L | 1 | – | – | 311.5 | 175 | – | 150 | 15 | 56 | 9 |
| SF-JR | 100L | 2 | 40 | 45 | 366 | 200 | 212 | 180 | 4 | 63 | 12 |
| SF-JR | 112M | 2 | 40 | 45 | 381 | 230 | 242 | 180 | 4 | 70 | 12 |
| SF-JR | 132S | 2 | 40 | 45 | 450.5 | 256 | 268 | 180 | 4 | 89 | 12 |
| SF-JR | 132M | 2 | 40 | 45 | 488.5 | 256 | 268 | 218 | 4 | 89 | 12 |
| Model | Frame No. |
Fig. | Terminal Box | Shaft End | ||||||||||
|---|---|---|---|---|---|---|---|---|---|---|---|---|---|---|
| KA | KG | KD | KL | KP** | Q | QK | R | S | T | U | W | |||
| SF-JR | 63M | 1 | 38.4 | 75 | PF1/2 | 130 | 162 | 23 | – | 103 | 11 h6 | – | 1 | – |
| SF-JR | 71M | 1 | 44.5 | 67 | PF1/2 | 140 | 161 | 30 | 25 | 120 | 14 j6 | 5 | 3 | 5 |
| SF-JR | 80M | 1 | 39.5 | 38 | PF3/4 | 145 | – | 40 | 32 | 140 | 19 j6 | 6 | 3.5 | 6 |
| SF-JR | 90L | 1 | 53 | 59 | PF3/4 | 158 | – | 50 | 40 | 168.5 | 24 j6 | 7 | 4 | 8 |
| SF-JR | 100L | 2 | 65 | 64 | PF3/4 | 170 | – | 60 | 45 | 193 | 28 j6 | 7 | 4 | 8 |
| SF-JR | 112M | 2 | 69 | 87 | PF3/4 | 182 | – | 60 | 45 | 200 | 28 j6 | 7 | 4 | 8 |
| SF-JR | 132S | 2 | 75 | 96 | PF1 | 210 | – | 80 | 63 | 239 | 38 k6 | 8 | 5 | 10 |
| SF-JR | 132M | 2 | 94 | 96 | PF1 | 210 | – | 80 | 63 | 258 | 38 k6 | 8 | 5 | 10 |