มอเตอร์ไฟฟ้า MITSUBISHI รุ่น SI-K Series ใช้ไฟแบบ 220 V. 1 phase แบบแนวตั้ง ขายึด 1PHASE ชนิดใช้ถ่าน แรงดันไฟ 220 V. ขนาดแรงม้าตั้งแต่ 1/2 HP – 1.3/4 HP ความเร็วรอบ 1450 RPM ( 4P ) การป้องกันน้ำและฝุ่น มีมาตรฐาน IP44 มอเตอร์ประสิทธิภาพระดับ IE1
มอเตอร์ไฟฟ้า MITSUBISHI รุ่น SI-K Series
เป็น มอเตอร์ไฟฟ้า ชนิดเหนื่ยวนำ 1 เฟส มีกำลัง 1 แรงม้า คุณภาพสูง มาตรฐาน JIS (Japane Industrial Standard) และ IEC (Internationa Electrotechnical Commission) มีน้ำหนักเบาเมื่อเที่ยบกับรุ่นอื่นๆ กำลังบิดที่สูงอีกทั้งยังให้กำลังเต็มประสิทธิภาพ และมีความเร็วรอบที่สม่ำเสมอ (Smooth Speed) มีเสียงเบาในขณะมอเตอร์ทำงาน เนื่องจากการออกแบบที่ดีได้สมดุลย์ มีอายุการใช้งานที่ยาวนาน และทนทานเหมาะกับการใช้งานเกี่ยวกับระบบระบายอากาศ เช่น ติดตั้งเพื่อใช้ขับพัดลมระบายอากาศภายในอาคาร หรือด้านการเลี้ยงสัตว์แบบโรงเรือนแบบเปิดและปิด ใช้ระบบพัดลมระบายอากาศ ประกอบเครื่องสูบน้ำรวมถึงระบบสายพานลำเลียง (Conveyer) และต่อร่วมกับอุปกรณ์ระบบคอมเพรสเซอร์ (Compressor) ทั้งหมดนี้มิตซูบิชิได้ออกแบบ เพื่อให้ง่ายและสะดวกต่อการใช้งานทุกรูปแบบ
| Model | Frame No. | Output HP (kW) | Pole | Fig. | Bearing No. | Approximate Weight (kg) | Packing Weight (kg) | |
| Drive End | Opposite | |||||||
| SI-K | 100 | 1/2 (0.4) | 4 | 8 | 6205ZZ | 6203ZZ | 26.4 | 28.2 |
| 100 | 1 (0.75) | 4 | 9 | 6205ZZ | 6203ZZ | 32 | 34 | |
| 100 | 1 3/4 (1.3) | 4 | 6206ZZ | 6204ZZ | 36.6 | 43.6 | ||


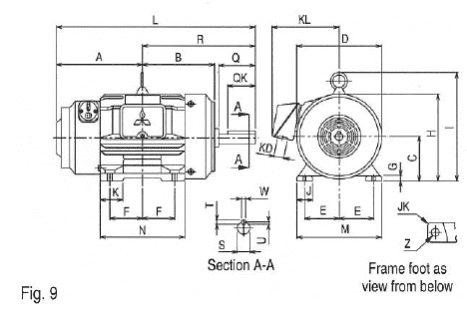
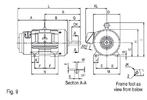
Dimensions Table A1
| Model | Frame No. | Fig. | Motor | |||||||||||||||||
| A | B | C* | D | E | F | G | H | I | J | JK | K | KD | KL | L | M | N | Z | |||
| SI-K | 100 | 8 | 170.5 | 128 | 100 | 208 | 80 | 70 | 12 | 204 | – | 40 | 3 | 40 | 27 | 161 | 343.5 | 200 | 175 | 12 |
| 100 | 9 | 170.5 | 168.5 | 100 | 212 | 80 | 70 | 12 | 206 | 237.5 | 40 | 3 | 40 | 27 | 161 | 383.5 | 200 | 175 | 12 | |
| 100 | 185.5 | 168.5 | 100 | 212 | 80 | 70 | 12 | 206 | 237.5 | 40 | 3 | 40 | 27 | 161 | 398.5 | 200 | 175 | 12 | ||
Dimensions Table A2
| Model | Frame No. | Fig. | Shaft End | Approzimate Packing Dimension | ||||||
| Q | QK | R | S | T | U | W | (LxWxH) | |||
| SI-K | 100 | 8 | 40 | 28 | 173 | 16 j6 | 5 | 3 | 5 | 395x309x258 |
| 100 | 9 | 40 | 36 | 213 | 22 j6 | 7 | 4 | 8 | 424x309x258 | |
| 100 | 40 | 36 | 213 | 24 j6 | 7 | 4 | 8 | 522x372x320 | ||