ปั๊มน้ำหอยโข่ง Foras รุ่น JA เป็นปั๊มหอยโข่งแบบล่อน้ำได้ด้วยตัวเอง ขนาดท่อ 1 นิ้ว 1 แรงม้า ส่งได้ไกลสูงสุด 48-10 เมตร อัตราการไหลของน้ำ 10-60 ลิตร/นาที
ระบบไฟฟ้า
ตัวเครื่อง
มอเตอร์
การประยุกต์การใช้งาน
| CARATTERISTICHE COSTRUTTIVE / CONSTRUCTION FEATURES CARACTERISTICAS CONSTRUCTIVAS / CARACTERISTIQUES D’EXECUTION |
|
| Corpo pompa | ghisa |
| Pump body | cast iron |
| Cuerpo bomba | fundicion |
| Corps de pompe | fonte |
| Supporto motore | ghisa o alluminio |
| Motor bracket | cast iron or alluminium |
| Soporte motor | fundicion o alluminio |
| Support moteur | fonte or alluminium |
| Girante | Noryl® o ottone |
| Impeller | Noryl® or brass |
| Rodete | Noryl® o laton |
| Turbine | Noryl® ou laiton |
| Tenuta meccanica | ceramica-grafite |
| Mechanical seal | ceramic-graphite |
| Sello mecanico | ceramica-grafito |
| Garniture mecanique | ceramique-graphite |
| Albero motore | acciaio AISI 416 |
| Motor shaft | stainless steel AISI 416 |
| Eje motor | acero AISI 416 |
| Arbre moteur | acier AISI 416 |
| Temperatura del liquido | |
| Liquid temperature | 0 – 50 °C |
| Temperatura del liquido | |
| Temperature du liquide | |
| Pressione di esercizio | |
| Operating pressure | max 6 bar |
| Presion de trabajo | |
| MOTORE / MOTOR / MOTOR / MOTEUR | |
| Motore 2 poli a induzione | 3- 230/400V-50Hz |
| 1-230V-50Hz | |
| 2 pole induction motor | con termoprotettore |
| Motor de 2 polos a induccion | with thermal protection |
| con proteccion termica | |
| Moteur a induction a 2 poles | avec protection thermique |
| Classe di isolamento | |
| Insulation class | F |
| Clase de aislamiento | |
| Classe d’isolation | |
| Grado di protezione | |
| Protection degree | IP44 |
| Grado de proteccion | |
| Protection | |

| TYPE | P2 | P1 (kW) | AMPERE | Q (m3/h-l/min) | |||||||||||
| 1~ | 3~ | 1~ | 3~ | 0.6 | 1.2 | 1.8 | 2.4 | 3 | 3.6 | 4.2 | 4.8 | ||||
| 10 | 20 | 30 | 40 | 50 | 60 | 7 | 80 | ||||||||
| (HP) | (kW) | 1~ | 3~ | 1×230 V (50 Hz) | 3×400 V (50 Hz) | H (m) | |||||||||
| JR 60 | JR 60 T | 0.6 | 0.44 | 0.63 | 0.59 | 3 | 1 | 36 | 30.2 | 24.9 | 20 | ||||
| JA 60 | JA 60 T | 0.6 | 0.44 | 0.69 | 0.65 | 3.2 | 1.2 | 36 | 30.2 | 24.9 | 20 | ||||
| JR 80 | JR 80 T | 0.8 | 0.59 | 0.79 | 0.78 | 3.6 | 1.3 | 42 | 36 | 30.2 | 24.9 | ||||
| JA 80 | JA 80 T | 0.8 | 0.59 | 0.8 | 0.81 | 3.7 | 1.4 | 42 | 36 | 30.2 | 24.9 | ||||
| JA 100 | JA 100 T | 1 | 0.74 | 1.02 | 1.05 | 4.7 | 2.3 | 47 | 42 | 37 | 32 | 26.7 | 10 | ||
| JA 110 | JA 110 T | 1 | 0.74 | 1.02 | 1.05 | 4.7 | 2.3 | 36.5 | 33.9 | 30.8 | 27.7 | 24.5 | 22 | 20 | 18 |

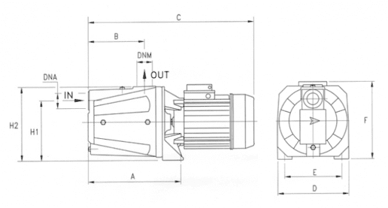
| TYPE | DIMENSIONS(mm) | CUBE | Kg | |||||||||||
| A | B | C | D | E | F | H1 | H2 | DNA | DNM | I | L | M | ||
| JR 60 | 230 | 140 | 395 | 180 | 140 | 195 | 152 | 185 | 1″G | 1″G | 440 | 200 | 225 | 14 |
| JA 60 | 230 | 140 | 420 | 180 | 140 | 195 | 152 | 185 | 1″G | 1″G | 440 | 200 | 225 | 15.4 |
| JR 80 | 230 | 140 | 395 | 180 | 140 | 195 | 152 | 185 | 1″G | 1″G | 440 | 200 | 225 | 14.4 |
| JA 80 | 230 | 140 | 420 | 180 | 140 | 195 | 152 | 185 | 1″G | 1″G | 440 | 200 | 225 | 15.8 |
| JA 100 | 230 | 140 | 420 | 180 | 140 | 195 | 152 | 185 | 1″G | 1″G | 440 | 200 | 225 | 17 |
| JA 110 | 208 | 123 | 402 | 180 | 140 | 195 | 147 | 194 | 1″G | 1″G | 440 | 200 | 225 | 16 |