เครื่องปั๊มน้ำ VOLUTE รุ่น UCI Series เป็นปั๊มน้ำแนวนอน ชนิดใบพัดเดี่ยว ที่ได้รับมาตรฐานระดับ ISO2858 /5199 ปั๊มน้ำชนิดนี้มีการออกแบบด้านหลังช่วยให้สามารถบำรุงรักษาและซ่อมแซมได้ง่ายเนื่องจากสามารถอดชิ้นส่วนเพื่อการดูแลรักษา โดยไม่กระทบกับแนวท่อที่วางไว้
ปั๊มหอยโข่ง หรือ เครื่องปั๊มน้ำ ( Centrifugal Pump ) ยี่ห้อ Volute รุ่น UCI Series
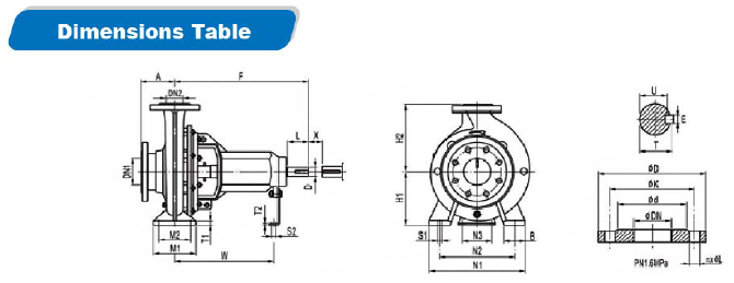
การออกแบบ ปั๊มหอยโข่ง VOLUTE รุ่น UCI Series
เครื่องปั๊มน้ำ UCI Series เป็นปั๊มแนวนอน ชนิดใบพัดเดี่ยว สร้างขึ้นตามมาตรฐาน ISO2858 / 5199 การออกแบบด้านหลังช่วยให้สามารถบำรุงรักษาและซ่อมแซมได้ง่ายเนื่องจากสามารถอดชิ้นส่วนเพื่อการดูแลรักษา โดยไม่กระทบกับแนวท่อที่วางไว้
| Pump sizes | 32mm to 350mm | |
|---|---|---|
| Flow | Up to | 540 L/s |
| Head | Up to | 160 m |
| Temperature | Up to | 120 °C |
| Speed | Up to | 3600 rpm |
| Pressure | Up to | 24 Bar |
| รุ่น | เพลา | ขนาดหน้าแปลน | มิติ ปั๊ม | Foot Dimensions | สลักเกลียว | ปลายเพลา | แผ่นลอง | น้ำหนัก | |||||||||||||||||
|---|---|---|---|---|---|---|---|---|---|---|---|---|---|---|---|---|---|---|---|---|---|---|---|---|---|
| DN1 | DN2 | A | F | H1 | H2 | B | M1 | M2 | N1 | N2 | N3 | W | T1 | T2 | S1 | S2 | D | L | T | E | U | X≥ | |||
| 50x32-160 | 1 | 50 | 32 | 80 | 385 | 132 | 160 | 50 | 100 | 70 | 240 | 190 | 110 | 285 | 12 | 6 | M12 | M12 | 24 | 50 | 27 | 8 | 20 | 100 | 38 |
| 50x32-200 | 1 | 50 | 32 | 80 | 385 | 160 | 180 | 50 | 100 | 70 | 240 | 190 | 110 | 285 | 12 | 6 | M12 | M12 | 24 | 50 | 27 | 8 | 20 | 100 | 46 |
| 65x40-200 | 1 | 65 | 40 | 100 | 385 | 160 | 180 | 50 | 100 | 70 | 265 | 212 | 110 | 285 | 13 | 6 | M12 | M12 | 24 | 50 | 27 | 8 | 20 | 100 | 48 |
| 65x40-250 | 2 | 65 | 40 | 100 | 500 | 180 | 225 | 65 | 125 | 95 | 320 | 250 | 110 | 370 | 14 | 6 | M12 | M12 | 32 | 80 | 35 | 10 | 27 | 100 | 70 |
| 65x40-315 | 2 | 65 | 40 | 125 | 500 | 200 | 250 | 65 | 125 | 95 | 345 | 280 | 110 | 370 | 16 | 6 | M12 | M12 | 32 | 80 | 35 | 10 | 27 | 100 | 80 |
| 65x50-160 | 1 | 65 | 50 | 80 | 385 | 132 | 160 | 50 | 100 | 70 | 240 | 190 | 110 | 285 | 11 | 6 | M12 | M12 | 24 | 50 | 27 | 8 | 20 | 100 | 40 |
| 80x50-200 | 1 | 80 | 50 | 100 | 385 | 160 | 200 | 50 | 100 | 70 | 265 | 212 | 110 | 285 | 13 | 6 | M12 | M12 | 24 | 50 | 27 | 8 | 20 | 100 | 52 |
| 80x50-250 | 2 | 80 | 50 | 125 | 500 | 180 | 225 | 65 | 125 | 95 | 320 | 250 | 110 | 370 | 15 | 6 | M12 | M12 | 32 | 8 | 35 | 10 | 27 | 100 | 72 |
| 80x50-315 | 2 | 80 | 50 | 125 | 500 | 225 | 280 | 65 | 125 | 95 | 345 | 280 | 110 | 370 | 18 | 6 | M12 | M12 | 32 | 80 | 35 | 10 | 27 | 100 | 87 |
| 80x65-160 | 1 | 80 | 65 | 100 | 385 | 160 | 180 | 50 | 100 | 70 | 265 | 212 | 110 | 285 | 11 | 6 | M12 | M12 | 24 | 50 | 27 | 8 | 20 | 100 | 46 |
| 100x65-200 | 2 | 100 | 65 | 100 | 500 | 180 | 225 | 65 | 125 | 95 | 320 | 250 | 110 | 370 | 14 | 6 | M12 | M12 | 32 | 80 | 35 | 10 | 27 | 140 | 70 |
| 100x65-250 | 2 | 100 | 65 | 125 | 500 | 200 | 250 | 80 | 160 | 120 | 360 | 280 | 110 | 370 | 16 | 6 | M12 | M12 | 32 | 80 | 35 | 10 | 27 | 140 | 80 |
| 100x65-316 | 3 | 100 | 65 | 125 | 530 | 225 | 280 | 80 | 160 | 120 | 400 | 315 | 110 | 370 | 18 | 6 | M12 | M12 | 42 | 110 | 45 | 12 | 37 | 140 | 118 |
| 100x80-160 | 2 | 100 | 60 | 100 | 500 | 160 | 200 | 65 | 125 | 95 | 280 | 212 | 110 | 370 | 14 | 6 | M12 | M12 | 32 | 80 | 35 | 10 | 27 | 140 | 68 |
| 100x80-400 | 3 | 125 | 80 | 125 | 530 | 280 | 355 | 80 | 160 | 120 | 435 | 355 | 110 | 370 | 20 | 6 | M16 | M12 | 42 | 110 | 45 | 12 | 37 | 140 | 165 |
| 125x100-200 | 2 | 125 | 100 | 125 | 500 | 200 | 280 | 80 | 160 | 120 | 360 | 280 | 110 | 370 | 17 | 6 | M16 | M12 | 32 | 80 | 35 | 10 | 27 | 140 | 85 |
| 125x100-250 | 3 | 125 | 100 | 140 | 530 | 225 | 280 | 80 | 160 | 120 | 400 | 315 | 110 | 370 | 18 | 6 | M16 | M12 | 42 | 110 | 45 | 12 | 37 | 140 | 126 |
| 125x100-315 | 3 | 125 | 100 | 140 | 530 | 250 | 315 | 80 | 160 | 120 | 400 | 315 | 110 | 370 | 19 | 6 | M16 | M12 | 42 | 110 | 45 | 12 | 37 | 140 | 135 |
| 125x100-400 | 3 | 125 | 100 | 140 | 530 | 280 | 355 | 100 | 200 | 150 | 500 | 400 | 110 | 370 | 20 | 6 | M20 | M12 | 42 | 110 | 45 | 12 | 37 | 140 | 175 |
| 125x100-500 | 4 | 125 | 100 | 160 | 670 | 355 | 450 | 100 | 200 | 150 | 550 | 450 | 110 | 500 | 25 | 10 | M20 | M16 | 48 | 110 | 51.5 | 14 | 42.5 | 180 | 313 |
| 150X125-250 | 3 | 150 | 125 | 1410 | 530 | 250 | 355 | 80 | 160 | 120 | 400 | 315 | 110 | 370 | 19 | 6 | M16 | M12 | 42 | 110 | 45 | 12 | 37 | 140 | 140 |
| 150X125-315 | 3 | 150 | 125 | 140 | 530 | 280 | 355 | 100 | 200 | 150 | 500 | 400 | 110 | 370 | 20 | 6 | M20 | M12 | 42 | 110 | 45 | 12 | 37 | 140 | 150 |
| 150X125-400 | 3 | 150 | 125 | 140 | 530 | 315 | 400 | 100 | 200 | 150 | 500 | 400 | 110 | 370 | 21 | 6 | M20 | M12 | 42 | 110 | 45 | 12 | 37 | 140 | 186 |
| 150X125-500 | 4 | 150 | 125 | 160 | 670 | 315 | 450 | 100 | 200 | 150 | 550 | 450 | 140 | 500 | 25 | 10 | M20 | M16 | 48 | 110 | 51.5 | 14 | 42.5 | 180 | 336 |
| 200x150-315 | 4 | 200 | 150 | 160 | 670 | 315 | 400 | 100 | 200 | 150 | 550 | 450 | 140 | 500 | 25 | 10 | M20 | M16 | 48 | 110 | 51.5 | 14 | 42.5 | 180 | 222 |
| 200x150-400 | 4 | 200 | 150 | 160 | 670 | 315 | 450 | 100 | 200 | 150 | 550 | 450 | 140 | 500 | 25 | 10 | M20 | M16 | 48 | 110 | 51.5 | 14 | 42.5 | 180 | 300 |
| 200x150-500 | 4 | 200 | 150 | 160 | 670 | 400 | 500 | 100 | 200 | 150 | 550 | 450 | 140 | 500 | 25 | 10 | M20 | M16 | 48 | 110 | 51.5 | 14 | 42.5 | 180 | 382 |
| 250x200-200 | 4 | 250 | 200 | 180 | 670 | 315 | 450 | 100 | 200 | 150 | 550 | 450 | 140 | 500 | 22 | 10 | M20 | M16 | 48 | 110 | 51.5 | 14 | 42.5 | 180 | 345 |
| 250x200-250 | 5 | 250 | 200 | 180 | 885 | 315 | 450 | 100 | 200 | 150 | 550 | 450 | 180 | 670 | 25 | 12 | M24 | M16 | 65 | 140 | 69 | 18 | 58 | 250 | 490 |
| 250x200-315 | 4 | 250 | 200 | 180 | 670 | 315 | 450 | 100 | 200 | 150 | 50 | 450 | 140 | 500 | 25 | 10 | M20 | M16 | 48 | 110 | 51.5 | 14 | 42.5 | 180 | 277 |
| 250x200-400 | 4 | 250 | 200 | 180 | 670 | 355 | 500 | 100 | 200 | 150 | 550 | 450 | 140 | 500 | 25 | 10 | M20 | M16 | 48 | 110 | 51.5 | 14 | 42.5 | 180 | 340 |
| 250x200-500 | 5 | 250 | 200 | 225 | 885 | 400 | 580 | 150 | 315 | 250 | 760 | 630 | 180 | 670 | 28 | 12 | M24 | M16 | 65 | 140 | 69 | 18 | 58 | 250 | 495 |
| 300x250-250 | 5 | 300 | 250 | 225 | 885 | 355 | 560 | 125 | 250 | 190 | 630 | 500 | 180 | 670 | 24 | 12 | M24 | M16 | 65 | 140 | 69 | 18 | 58 | 250 | 360 |
| 300x250-315 | 4 | 300 | 250 | 225 | 670 | 355 | 500 | 125 | 250 | 190 | 690 | 560 | 180 | 500 | 24 | 12 | M20 | M16 | 48 | 110 | 51.5 | 14 | 42.5 | 180 | 350 |
| 300x250-400 | 5 | 300 | 250 | 225 | 885 | 450 | 560 | 150 | 250 | 190 | 690 | 560 | 180 | 670 | 28 | 12 | M24 | M16 | 65 | 140 | 69 | 18 | 58 | 250 | 480 |
| 300x250-500 | 5 | 300 | 250 | 225 | 885 | 450 | 630 | 150 | 315 | 250 | 760 | 630 | 180 | 670 | 28 | 12 | M24 | M16 | 65 | 140 | 69 | 18 | 58 | 250 | 530 |
| 350x300-400 | 6 | 350 | 300 | 250 | 975 | 450 | 600 | 180 | 315 | 250 | 760 | 630 | 180 | 730 | 24 | 12 | M24 | M16 | 75 | 170 | 79.5 | 20 | 67.5 | 250 | 900 |
| 350x300-500 | 6 | 350 | 300 | 250 | 975 | 500 | 650 | 225 | 360 | 270 | 900 | 750 | 180 | 730 | 24 | 12 | M30 | M16 | 75 | 170 | 79.5 | 20 | 67.5 | 250 | 1100 |