EBARA CSA-CNA Series เป็นปั๊มหอยโข่งแนวนอนแบบแยกตัวที่ออกแบบเพื่อรองรับการไหลของน้ำปริมาณมาก เหมาะสำหรับระบบจ่ายน้ำ อุตสาหกรรม และการชลประทาน โครงสร้างแข็งแรง บำรุงรักษาง่าย และมีประสิทธิภาพสูงในการทำงานต่อเนื่อง
EBARA รุ่น CSA-CNA Series ถูกออกแบบมาเพื่อการใช้งานในภาคอุตสาหกรรมและการเกษตรกรรม ด้วยการออกแบบที่เน้นความทนทานและประสิทธิภาพสูง ปั๊มรุ่นนี้จึงเหมาะสำหรับการใช้งานที่ต้องการการไหลของน้ำปริมาณมากและความน่าเชื่อถือสูง
| Description | Standard | Optional | ||
|---|---|---|---|---|
| Model | CSA/CNA. | |||
| Liquid Handled | Type of liquid | Clean water, Industrial Water, River Water | ||
| Temperature | Below 8CPC(176°F) | 81°C-120°C (177°F-248°F) (only applicable for Mechanical Seal Models) | ||
| Max. Working Pressure | 16 bar (16.3 kgf/cm2) | |||
| Construction | Shaft Seal | Mechanical Seal | Gland Packing | Mechanical Seal |
| Bearing | Ball Bearing | |||
| Lubrication | Grease | |||
| Material | Casing | Cast Iron | Ductile Cast Iron (FCD) | |
| Impeller | Bronze (except 300×200 CNKA) | SCS 13, SCS 14 | ||
| SCS 13 for 300×200 CNKA | ||||
| Shaft | SUS 316 | SUS 403 | SUS304 | |
| Shaft Sleeve | Bronze | Bronze | ||
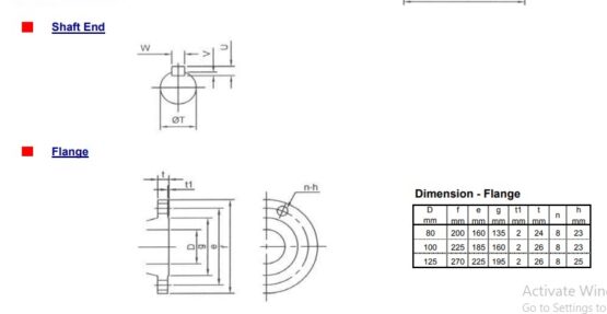
| Flange | Suction | JIS 16 KRF | ||
| Discharge | JIS 16 KRF | |||
| Accessories | ||||
| Standard | Air vent piping, M.Seal or G. Packing, flushing water piping, Lift bolts. Drain piping (only applicable for G. Packing models) | |||
| Option | Common base, Anchor bolts, Shaft coupling, Coupling guard | |||


