Skip to content
02-618-3000
LINE : @yonghongth
Mail
Facebook
Youtube
Instagram
Wordpress
Login
Home
About Us
Product
News
Site Reference
Content
Water Pump Content
Hoist crane Content
Burner Content
Promotions
Catalog Online
Contact Us
Export
Sourcing
Service&Identity
Home
About Us
Product
News
Site Reference
Content
Water Pump Content
Hoist crane Content
Burner Content
Promotions
Catalog Online
Contact Us
Export
Sourcing
Service&Identity
Home
/
สินค้า
/
AIR PUMP
/ Air Compressor MEDO VC 0101 (Dual)
Air Compressor MEDO VC 0101 (Dual)
Category
AIR PUMP
Tags
air compressor
,
medo air compressor
,
ปั๊มเติมอากาศ
,
ปั๊มเติมอากาศ medo
,
ปั๊มเติมอากาศ medo
,
แอร์คอมเพรสเซอร์
,
แอร์คอมเพรสเซอร์ medo
ขอใบเสนอราคา/Request a quote
Facebook
Twitter
Email
Print
Air Compressor MEDO VC 0101 (Dual)
Specifications MEDO VC 0101 (Dual)
Air Compressor MEDO VC 0101 (Dual)
Attainable Vacuum:
-100 mbar (230 V)
-187 mbar (120 V)
Rated Airflow:
10 l/min
Rated Voltage:
230 V
120 V
Maximum Pressure:
0.15 bar (230 V)
0.18 bar (120 V)
Rated Pressure:
0.1 bar
Power Consumption:
11 W
11 W
Rated Frequency:
50 Hz
60 Hz
Life Expectancy:
5.000 h
Working Pressure Range:
-100 mbar to 0.15 bar (230 V)
-187 mbar to 0.18 bar (120 V)
Outlet (Inlet):
7.5mm O.D. hose nipple
Duty Cycle:
Continuous
Coil Insulation Class:
B for 230V & A for 120V or its equivalent (JETL)
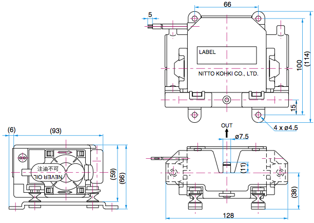
Mounting Dimensions (L x W):
66 x 100 mm
Gross Weight:
0.82 kg
Leadwire Length:
200 mm
Dimension MEDO VC 0101 (Dual)
Related products
Air Compressor GAST 87R
Read more
Ring Blower GAST SDR Series
Read more
Air Pump TSURUMI RSA Series
Read more
Tube Diffuser SANCO TB Series
Read more
Insert/edit link
Close
Enter the destination URL
URL
Link Text
Open link in a new tab
Or link to existing content
Search
No search term specified. Showing recent items.
Search or use up and down arrow keys to select an item.
Cancel