CPG PRF Series เป็นเกียร์ทดความเร็วรอบจากต้นกำลัง (Grar Reducer) สินค้าคุณภาพสูงจากประเทศไต้หวัน (Made in Taiwan) อัตราทดตั้งแต่ 1:5 – 1:60 มีทั้งแบบรุ่นขาหล่อตั้ง และแบบถอดขาได้ เหมาะสำหรับงานอุตสาหกรรมเบา และหนักทุกชนิด

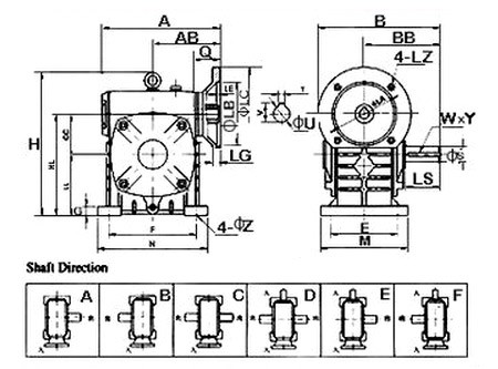
Dimension Table A1
| SIZE | Kw | Ratio | A | AB | B | BB | CC | E | F | G | H | HL | LL | M | N | Z |
| 50 | 0.18 | 1/51/101/15
1/20 1/25 1/30 1/40 1/50 1/60 |
155 | 84 | 165 | 95 | 50 | 95 | 110 | 15 | 180 | 130 | 80 | 120 | 140 | 11 |
| 60 | 0.37 | 170 | 92 | 190 | 110 | 60 | 105 | 120 | 20 | 205 | 150 | 90 | 130 | 150 | 11 | |
| 70 | 0.37 | 206 | 110 | 210 | 130 | 70 | 115 | 150 | 20 | 235 | 175 | 105 | 150 | 190 | 15 | |
| 0.75 | 230 | |||||||||||||||
| 80 | 0.75 | 232 | 128 | 240 | 140 | 80 | 135 | 180 | 20 | 265 | 200 | 120 | 170 | 220 | 15 | |
| 1.5 | ||||||||||||||||
| 100 | 1.5 | 266 | 145 | 255 | 155 | 100 | 155 | 220 | 25 | 363 | 250 | 150 | 190 | 260 | 15 | |
| 120 | 2.2 | 340 | 182 | 310 | 185 | 120 | 180 | 260 | 30 | 424 | 300 | 180 | 230 | 320 | 18 | |
| 3.0 | ||||||||||||||||
| 135 | 3.0 | 375 | 200 | 335 | 210 | 135 | 200 | 290 | 30 | 481 | 350 | 215 | 250 | 350 | 18 | |
| 4.0 | ||||||||||||||||
| 155 | 5.5 | 442 | 236 | 402 | 252 | 155 | 220 | 320 | 32 | 536 | 390 | 235 | 280 | 390 | 20 | |
| 175 | 7.5 | 465 | 240 | 412 | 262 | 175 | 250 | 350 | 40 | 550 | 435 | 260 | 310 | 430 | 20 |
Dimension Table A2
| SIZE | Kw | Ratio | Flange | Input Hole | Output Shaft | kg | |||||||||
| LA | LB | LC | LE | LG | LZ | Q | U | TxV | LS | S | WxY | ||||
| 50 | 0.18 | 1/51/101/151/20
1/25 1/30 1/40 1/50 1/60 |
115 | 95 | 140 | 5 | 10 | M8 | 25 | 11 | 4×12.8 | 40 | 17 | 5×3 | 7 |
| 60 | 0.37 | 130 | 110 | 160 | 5 | 12 | M8 | 35 | 14 | 5×16.3 | 50 | 22 | 7×4 | 11 | |
| 70 | 0.37 | 130 | 110 | 160 | 5 | 12 | M8 | 35 | 14 | 6×21.8 | 60 | 28 | 7×4 | 14 | |
| 0.75 | 165 | 130 | 200 | 15 | M10 | 45 | 19 | 6×21.8 | |||||||
| 80 | 0.75 | 165 | 130 | 200 | 5 | 15 | M10 | 45 | 19 | 6×21.8 | 65 | 32 | 10×4.5 | 23 | |
| 1.5 | 55 | 24 | 8×27.3 | ||||||||||||
| 100 | 1.5 | 165 | 130 | 200 | 5 | 15 | M10 | 55 | 24 | 8×27.3 | 75 | 38 | 10×4.5 | 38 | |
| 120 | 2.2 | 215 | 180 | 250 | 5 | 18 | M12 | 65 | 28 | 8×31.3 | 85 | 45 | 12×4.5 | 65 | |
| 3.0 | |||||||||||||||
| 135 | 3.0 | 215 | 180 | 250 | 5 | 18 | M12 | 65 | 28 | 8×31.3 | 95 | 55 | 15×5 | 84 | |
| 4.0 | |||||||||||||||
| 155 | 5.5 | 265 | 230 | 300 | 5 | 20 | M12 | 85 | 38 | 10×41.3 | 110 | 60 | 15×5 | 120 | |
| 175 | 7.5 | 265 | 230 | 300 | 5 | 18 | M12 | 85 | 38 | 10×41.3 | 110 | 65 | 18×6 | 155 | |