ปั๊มน้ำหอยโข่ง FORUS PLUS Series

ปั๊มน้ำหอยโข่ง Foras รุ่น Plus ตัวปั๊มเป็นสแตนเลสแนวนอน 304 ระดับการป้องกัน IP44 สามารถสูบน้ำที่ไม่สะอาดได้

Social Share:

ปั๊มน้ำหอยโข่ง FORUS PLUS Series

การประยุกต์การใช้งาน

  • เหมาะสำหรับการชลประทาน
  • เหมาะสำหรับการสูบน้ำ,น้ำดื่ม
  • เหมาะใช้กับเครื่องทำความร้อน
  • เหมาะสำหรับการใช้ทำความสะอาดผ้า

Speciications

CARATTERISTICHE COSTRUTTIVE / CONSTRUCTION FEATURES
CARACTERISTICAS CONSTRUCTIVAS / CARACTERISTIQUES D’EXECUTION
Corpo pompa acciaio cromo-nickel AISI 304
Pump body stainless steel AISI 304
Cuerpo bomba acero  cromo-nickel AISI 304
Corps de pompe acier  cromo-nickel AISI 304
Supporto motore alluminio
Motor bracket alluminium
Soporte motor alluminio
Support moteur alluminium
Girante  Noryl®
Impeller
Rodete
Turbine
Tenuta meccanica ceramica-grafite ≤ 6 giranti
grafite-carburo di silico ≥ 7 giranti
Mechanical seal ceramica-grafite ≤ 6  impellers
graphite-silico carbide  ≤ 7 impellers
Sello mecanico ceramica-grafito  ≤ 6 rodetes
grafite-carburo de silicio ≥ 7  rodetes
Garniture mecanique ceramique-graphite  ≤ 6 turbines
grafite-carbure de silicium ≥ 7  turbines
Albero motore acciaio cromo-nickel AISI 303
Motor shaft stainless steel AISI 303
Eje motor acero  cromo-nickel AISI 303
Arbre moteur acier  cromo-nickel AISI 303
Temperatura del liquido    -5  –  +35 °C
Liquid temperature
Temperatura del liquido
Temperature du liquide
Pressione di esercizio max 8.5  bar
Operating pressure
Presion de trabajo
Pression de fonctionnement
MOTORE / MOTOR / MOTOR / MOTEUR 
Motore 2 poli a induzione 3- 230/400V-50Hz
1-230V-50Hz
2 pole induction motor con termoprotettore fino a 1.85kW
 Motor de 2 polos a induccion with thermal protection up to 1.85kW
con proteccion termica  hasta 1.85kW
Moteur a induction a 2 poles avec protection thermique jusqu a 1.85kW
Classe di isolamento F
Insulation class
Clase de aislamiento
Classe d’isolation
Grado di protezione
Protection degree IP44
Grado de proteccion
Protection

Performance curve

plus curves 1

TYPE P2 P1 (kW) AMPERE Q (m3/h-l/min)
1~ 3~ 1~ 3~ 0 0.6 1.2 1.8 2.4 3.6 4.8
0 10 20 30 40 60 80
(HP) (kW) 1~ 3~ 1×230 V (50 Hz) 3×400 V (50 Hz) H (m)
P 3-50/2 P 3-50/2 T 0.5 0.37 0.45 0.46 2 0.9 20.2 18.8 17.3 15.3 13.7 9.5 4.9
P 3-70/3 P 3-70/3 T 0.7 0.51 0.65 0.63 2.9 1.2 30 27.9 25.4 23 20.3 14 6.7
P 3-90/4 P 3-90/4 T 0.9 0.66 0.9 0.88 4 1.8 40.8 38.3 35.1 31.8 27.9 19.8 10.4
P 3-100/5 P 3-100/5  T 1 0.75 1.06 1.01 4.8 1.9 52.2 48.9 45.1 40.8 36 25.4 14
P 3-120/6 P 3-120/6 T 1.2 0.9 1.23 1.23 5.6 2.6 62.8 58.7 54.5 49.6 43.9 32.1 18.3
P 3-150/7 P 3-150/7 T 1.5 1.1 1.45 1.45 7.1 2.9 75.5 71.3 66.6 61.2 54.8 41.1 24.9
TYPE P2 P1 (kW) AMPERE Q (m3/h-l/min)
1~ 3~ 1~ 3~ 0 1.8 2.4 3.6 4.8 6 7.2 8.4
0 30 40 60 80 100 120 140
(HP) (kW) 1~ 3~ 1×230 V (50 Hz) 3×400 V (50 Hz) H (m)
P 5-70/2 P 5-70/2  T 0.7 0.51 0.61 0.58 2.7 1.1 22 19.7 18.7 16.6 14 10.8 6.8 1.8
P 5-80/3 P 5-80/3 T 0.8 0.6 0.86 0.79 3.9 1.5 33.4 30.3 29 26 22.5 17.6 12 3.9
P 5-120/4 P 5-120/4 T 1.2 0.9 1.13 1.13 5.2 2.5 45.3 41.3 39.6 35.6 30.8 24.9 17.6 6.4
P 5-150/5 P 5-150/5  T 1.5 1.1 1.47 1.39 6.8 2.8 56.8 53 51 46.1 40.1 33.3 24.8 11.5
P 5-180/6 P 5-180/6  T 1.8 1.3 1.7 1.62 7.7 3 69.3 64.4 62 55.6 48.2 39.6 28.8 12
P 5-200/7 P 5-200/7 T 2 1.5 2 1.86 9 3.4 80.3 73.6 71 64.5 56.1 46 33.4 12.5

plus curves 2

TYPE P2 P1 (kW) AMPERE Q (m3/h-l/min)
1~ 3~ 1~ 3~ 0 2.4 3.6 4.8 6 7.2 8.4 9.6 10.2
0 40 60 80 100 120 140 160 17
(HP) (kW) 1~ 3~ 1×230 V (50 Hz) 3×400 V (50 Hz) H (m)
P 7-100/2 P 7-100/2 T 1 0.75 0.97 0.9 4.4 1.7 24.8 23.4 22 20.5 18.7 16.3 13.6 10.2 8.3
P 7-120/3 P 7-120/3 T 1.2 0.9 1.32 1.3 5.9 2.6 36.7 34 32 29.6 26.5 23 18.6 13.8 11
P 7-180/4 P 7-180/4 T 1.8 1.3 1.83 1.71 8.3 3.2 49.5 47.4 45.3 42.5 39.2 34.8 29.4 22.6 16.9
P 7-250/5 P 7-250/5 T 2.5 1.85 2.39 2.15 10.9 4.2 62.6 60.6 58.2 55.1 51.1 45.8 39 29.8 21.5
P 7-300/6 P 7-300/6 T 3 2.2 2.68 2.63 12.2 5 74.8 71.5 68.3 64.5 59.3 53 44.6 34.5 26.7
P 7-350/7 T 3.5 2.57 3.04 5.5 87.2 83.3 79.3 74.6 68.9 61.9 52.5 41 32.2
TYPE P2 P1 (kW) AMPERE Q (m3/h-l/min)
1~ 3~ 1~ 3~ 0 3.6 4.8 6 7.2 8.4 9.6 10.8 12 13.2 14.4
0 60 80 100 120 140 160 180 200 220 240
(HP) (kW) 1~ 3~ 1×230 V (50 Hz) 3×400 V (50 Hz) H (m)
P 9-100/2 P 9-100/2 T 1 0.75 0.98 0.92 4.4 1.7 23 20.9 20 19.1 17.9 16.6 15 13.2 11.1 8.9 6.5
P 9-150/3 P 9-150/3 T 1.5 1.1 1.43 1.38 6.7 2.8 35.2 32.6 31.5 30.3 28.8 26.9 24.5 21.5 18.3 14.7 10.8
P 9-200/4 P 9-200/4 T 2 1.5 1.88 1.77 8.4 3.3 47.1 43.5 42 40.5 38.3 35.7 32.4 28.4 23.8 18.9 13.3
P 9-250/5 P 9-250/5 T 2.5 1.85 2.32 2.18 10.6 4.3 59.2 54.4 52.4 50.4 47.9 44.8 40.5 35.5 29.8 23.5 16.3

plus curves 3

TYPE P2 P1 (kW) AMPERE Q (m3/h-l/min)
3~ 3~ 0 6 7.2 8.4 9.6 10.8 12 13.2 14.4 15.6 16.8 18 19.2 20.4 21.6 22.8 24 25.2
0 100 120 140 160 180 200 220 240 260 280 300 320 340 360 380 400 420
(HP) (kW) 3~ 3×400 V (50 Hz) H (m)
P 18-180/2 T 1.8 1.3 1.52 3 23.1 21.4 21 20.5 19.9 19.2 18.4 17.6 16.7 15.7 14.7 13.5 12.1 10.9 9.7 8.3 7 5.5
P 18-250/3 T 2.5 1.85 2.19 4.3 35 32.7 32.2 31.4 30.5 29.5 28.3 26.7 25.5 24.3 22.8 21.2 19.3 17.3 15.1 12.9 10.8 8.7
P 18-400/4 T 4 3 2.99 5.5 47.2 44.6 44.1 43.3 42.4 41.2 40 38.5 36.7 34.9 32.9 30.5 27.9 25.3 22.7 20 17.1 14.3

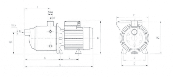
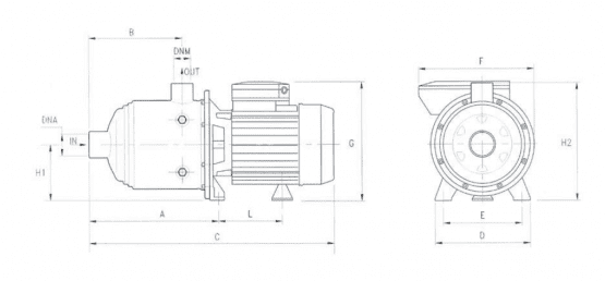
Dimensions

plus Dimen 1

TYPE DIMENSIONS (mm) Kg DNA DNM
A B C D E F G L H1 H2
P 3-50/2 166.8 103 333 164 140 178 190 93.7 128 192 6.3 1″G 1″G
P 3-70/3 166.8 103 333 164 140 178 190 93.7 128 192 7.2
P 3-90/4 190.8 127 357 164 140 178 190 93.7 128 192 8.3
P 3-100/5 214.8 151 404 164 140 178 203 104.7 128 192 10.6
P 3-120/6 238.8 175 428 164 140 178 203 104.7 128 192 11
P 3-150/7 262.8 199 483 164 140 201 211 128.2 134 198 14.1
P 5-70/2 166.8 103 333 164 140 178 195 93.7 128 192 7.1
P 5-80/3 166.8 103 357 164 140 178 203 93.7 128 192 9.5
P 5-120/4 190.8 127 380 164 140 178 203 104.7 128 192 11.1
P 5-150/5 214.8 151 436 164 140 201 211 128.2 134 198 13.5
P 5-180/6 238.8 175 459 164 140 201 211 128.2 134 198 14.4
P 5-200/7 262.8 199 483 164 140 201 211 128.2 134 198 16.2

plus Dimen 2

TYPE DIMENSIONS (mm) Kg DNA DNM
A B C D E F G L H1 H2
P 7-100/2 166.8 103 356 164 140 178 203 104.7 92 192 10 1″1/4 G 1″G
P 7-120/3 166.8 103 356 164 140 178 203 104.7 92 192 10.8
P 7-180/4 190.8 127 411 164 140 201 211 128.2 98 198 13.8
P 7-250/5 214.8 151 436 164 140 201 211 128.2 98 198 15.8
P 7-300/6 238.8 175 M503 164 140 201 M 229 M 148.2 M 103 M 203 18.2
T 459 T 211 T 128.2 T 98 T 198
P 7-350/7 262.8 199 527 164 140 201 229 104.7 103 203 18.6
P 9-100/2 185.8 118 375 164 140 178 203 128.2 98 192 10.1 1″1/2 G 1*1/4 G
P 9-150/3 185.8 118 375 164 140 201 211 128.2 98 198 13.2
P 9-200/4 215.8 148 436 164 140 201 211 128.2 98 198 15.5
P 9-250/5 245.8 178 464 164 140 201 211 128.2 98 198 16.1
P 18-180/2 T 201 141 432 164 140 201 211 128.2 98 198 12.9 2″G 1″1/2 G
P 18-250/3 T 238.5 141 432 164 140 201 211 128.2 98 198 14.5
P 18-400/4 T 276 178.5 514 164 140 201 229 148.2 103 203 20.8
{{ reviewsTotal }}{{ options.labels.singularReviewCountLabel }}
{{ reviewsTotal }}{{ options.labels.pluralReviewCountLabel }}
{{ options.labels.newReviewButton }}
{{ userData.canReview.message }}

ขอใบเสนอราคา/Request a quote

ขอใบเสนอราคา/Request a quote